广州蓝麦草信息科技有限公司
首页
企业简介
产品大全
联系我们
企业信息
在线留言
产品大全
Product
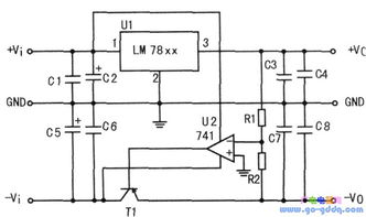
四大趋势引领集成电路走向新时代的软件开发
如若转载,请注明出处:http://www.517517sc.com/product/list-4.html
第一页
上一页
1
2
3
4